Hansgrohe Talis M52

В наличии
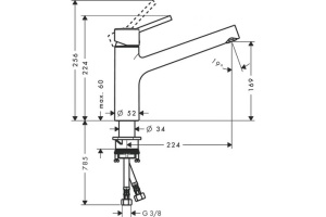
Кухонный смеситель Hansgrohe Talis M52 однорычажный, 170, Eco, 1jet, хром 32857000
- Цвет: хром
Hansgrohe
Уточняйте наличие
Кухонный смеситель однорычажный, 260, с вытяжным изливом, 1jet, sBox Hansgrohe 73864000
- Цвет: хром
Hansgrohe